本文將會在有機熱載體電加熱成套系統的特性、用途、規格上面做詳細的說明與介紹,鎮江裕太防爆電加熱器有限公司作為是專業的有機熱載體電加熱成套系統生產廠家,為您選購適合自己的產品做一定的指導是必要的。
要問有機熱載體電加熱成套系統哪里好,當選鎮江裕太防爆電加熱器有限公司。
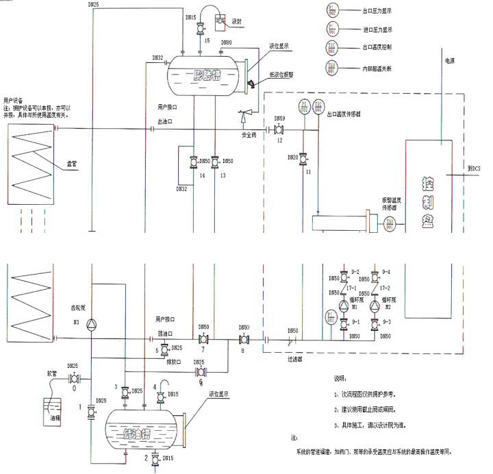
詳細信息






上一篇我們就_!做了詳細介紹和說明, _!在下一篇繼續做詳細介紹,如需了解更多我們的信息,請持續關注。
本文由有機熱載體電加熱成套系統生產廠家鎮江裕太防爆電加熱器有限公司于2018/11/8 17:30:50整理發布。
轉載請注明出處:http://www.huajidi.com.cn/product/7.html。






